Information about Hughes and Millitech Motorized Waveguide Switches


I have compiled some pages that help understand the Hughes (and subsequently Millitech) motorized waveguide switches


Here is an image page from a Catalog for the switches

Press here to see a PDF image of two Catalog Pages for the switches

Here is a PDF of the Operators Manual

Here is the first page of a fax PDF from Millitech

Here is are subsequent pages of a fax PDF from Millitech

Press here to see another schematic PDF

Here is a page by Bruce KG6OJI describing some of the innards and details

Here is a page by Bruce KG6OJI describing a Home Brew controller

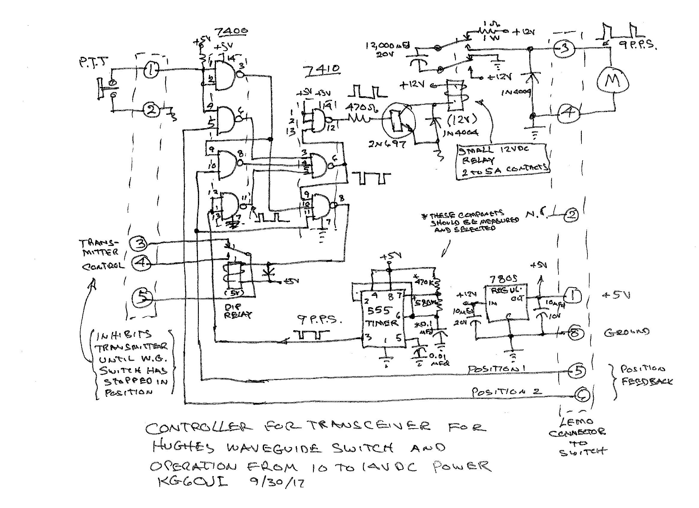
Here is a page by Bruce KG6OJI describing a Transciever controller


Thanks to several (who wish to remain anonymous) amateurs for their help in finding these documents!

Press here to return to the WA1MBA top page

This page was updated 10/01/2017